cancel
Showing results for 
Search instead for 
Did you mean: 

Need some help with EAPS rings design

Need some help with EAPS rings design

Edison
New Contributor II
Hi, I need some help with EAPS rings design. My network is working now as the next image shows.

abde2d71b3724ff4b5ab1749a82aea65_RackMultipart20161031-82579-6qt0j8-Recent_EAPS_inline.jpg



In the last months we have implemented some redundancy links but not yet with EAPS rings, and now I want to do it because we have many clients that we give to them Layer 2 service and EAPS would help us a lot with the service quality. The physical connections are like the next image I show.

abde2d71b3724ff4b5ab1749a82aea65_RackMultipart20161031-38415-8igggb-Physical_Connection_inline.jpg



In the topology I show some switches BDCOMs that support also EAPS rings,I made a test that it works with Extremes but if any of you have experienced please share it with me.

I have designed other rings and I have divided Original ring 3 into ring 3 and ring 13, changing some Licenses of course. I showed this design int the last picture.

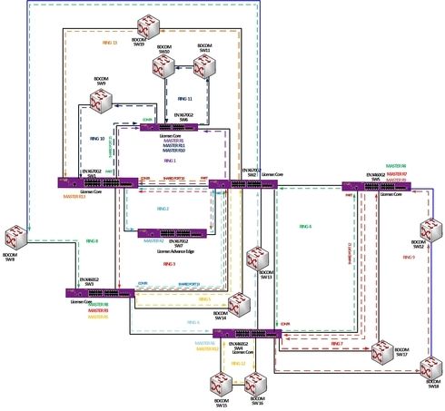
I havent found exact information about limitation of EAPS, I remember that I received a training and the teacher told us of a specific topology that EAPS cant work in, I dont remember how it was, so I want to ask you about the possibility of implementing the topology I am planning, , especially RING 8 and RING 9, If not possible I cant ask to change the liks to connect to another switch. All the switchs are located in different places.

abde2d71b3724ff4b5ab1749a82aea65_RackMultipart20161031-5763-pllrs9-EAPS_Planned_inline.jpg



Thanks in advance.

6 REPLIES 6

Ron_Huygens
Community Manager Community Manager
Community Manager
This is an interesting design.
There are a couple of rules that apply and what we need to know is where you place the "master secondary ports" for all the separate rings.
The main blocking issue is the fact that there can be up to two shared ports per switch.
In switch SW-2, I count 5 shared ports.
http://documentation.extremenetworks.com/exos/exos_21_1/eaps/r_eaps-shared-port-configuration-rules....

The following page will show you the allowed topology possibilities:
http://documentation.extremenetworks.com/exos/EXOS_21_1/EAPS/c_additional-common-link-topology-examp...

I hope that this will help you a bit in the right direction.

Hi Edison, yes it's possible. I would recommend you to use a LAG (if possible) for all shared ports. That will minimize any controller action if the common-link fails since you would have a LAG with 2 ports.

Edison
New Contributor II
Ron, yes that brown dotted line shouldnt be there, I correct that and I add a new ring. I show the picture under this lines.

ada2b2bf9b684868ad1dd6d04942a1b3_RackMultipart20161101-129384-1bw9y9c-EAPS_Planned_v2_inline.jpg



Hi Henrique only ring 13 and Ring 9 are for particular clients , so if it's necessary and possible I would use protecteds vlan among all the other rings.

So I going to make tests, I will try to share my experience.

Hi Edison, are you planning to use a shared vlan (data/protected vlan) among all those EAPS Rings?
GTM-P2G8KFN